Parengė Andrius Vaičeliūnas.
Захаренков Ю. Ламповый усилитель мощностью 1200 Вт. – Радио, 2007, № 4, с. 14–19.
Šiuolaikiniai garso dažnių stiprintuvai su 1000...2000 W išėjimo galia konstruojami iš tranzistorių. Tokios galios lempinis stiprintuvas sveria 150...200 kg ir jo matmenys daug didesni, dėl ko yra nepatogu juos pervežti. Bet jeigu jis naudojamas stacionariai vienoje vietoje, šis trūkumas mažiau pastebimas.
Lempinis stiprintuvas, pagamintas klubinei diskotekai, dėl jo paprastumo užtikrina aukštos kokybės skambėjimą per paskirstytą po salę akustinę sistemą. Garso traktas įgyvendintas vien tik iš lempų, o maitinimo blokas įgyvendintas pagal klasikinę transformatorinę schemą. Kaip išėjimo lempos naudojamos iš viso tik dvi galingos lempos ГУ-81М su tiesioginio kaitinimo katodu.
Stiprintuvas sukurtas stiprintuvo, pagaminto 70-aisiais metais dėl laidinio įgarsinimo, mazgų bazėje – УПВ-1,25 (1250 W galios). Jį statydavo rajoniniuose ryšio mazguose ir jis užtikrino įgarsinimą nedideliuose rajoniniuose miestuose arba stambių miestų rajonuose. Šio stiprintuvo eksploatacija dėl jo konstrukcinių ypatybių buvo patikima ir ilgalaikė: jį įjungdavo 6 valandą ryto, o išjungdavo 24 valandą, kada baigdavosi transliacija. Taip jis dirbo metų metais po 18 valandų per parą.
Man prisiėjo padaryti pakeitimus stiprintuvo konstrukcijoje, kad pagerinti jo parametrus ir sutapdinti išėjimo įtampą su apkrova, o aptarnavimas ir pervežimas būtų patogesni. Iš pradžių aš pervyniojau išėjimo transformatoriaus antrinę apviją, kadangi gamykliniame variante išėjimo įtampa buvo 240 V. Po to pakeičiau konstrukciją, surinkdamas stiprintuvą dviejuose blokuose (foto 1 pav.), sujungiamuose kabeliais (stiprintuvo blokas ir aukštavoltis maitinimo blokas). Maitinimo bloko schema pakeista. Imtasi priemonių praplėsti pralaidumo juostą, o tranzistoriai, buvę pradinio stiprintuvo draiveryje, išmesti. Pradinis stiprintuvas taip pat surinktas iš lempų su dviejų kanalų mikšeriu ir mikrofoniniu stiprintuvu. Rezultate gavosi stiprintuvas su gerais didelės išėjimo galios stiprintuvui rodikliais.

1 pav.
Stiprintuvo techninės charakteristikos
| Maksimali/nominali išėjimo galia, W | 1200/1000 |
| Apkrovos varža, Om | 8–16 |
| Triukšmo lygis, dB | 80 |
| Pralaidumo juosta (Hz), kai ADCh netolygumas 1,5 dB | 25–20000 |
| Harmonikų koeficientas, %: | |
| 60–400 Hz juostoje | 1,5 |
| 400–6000 Hz juostoje | 1 |
| 6000–16000 Hz juostoje | 1,5 |
Nurodyti parametrai atitinka 1000 W išėjimo galią; esant mažesnei galiai sumažėja nelinijinių iškraipymų lygis, o darbinių dažnių juosta prasiplečia. Optimali apkrovos varža – 12 Om. Čia reikia įskaityti akustinio kabelio varžą, kuri gali būti tokia pat, kaip ir garsiakalbių varža – stiprintuvas juk stacionarus! Mažas triukšmo lygis – tai labai geras rodiklis tokios galios stiprintuvui. Klausantis fonogramų stiprintuvas džiugina geru, „sultingu“ garsu. „Viršutiniai“ skamba ryškiai, o „basai“ – minkštai ir testinai, viduriniuose dažniuose seka geras „dalyvavimo efektas“. Puikus skambėjimas ir esant mažai (5–10 W) išėjimo galiai. Dar viena stiprintuvo ypatybė: apkrova yra visiškai galvaniškai atskirta, laidus prie akustinės sistemos galima tempti ilgais atstumais, nebijant trukdžių ir žadinimosi.
Stiprintuvo ir maitinimo bloko aprašymas
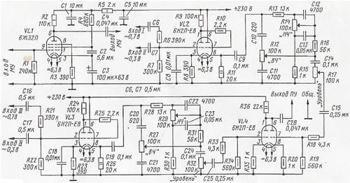
Pirminis stiprintuvas (2 pav.) sudarytas iš mikrofoninio stiprintuvo lempoje VL1, dviejų vienodų laipsnių lempose VL2, VL3, tembro reguliatorių, stiprinimo ir mikšerio lempoje VL4. Kažkokių tai ypatybių stiprintuvas neturi, tik pirminio stiprintuvo lempų kaitinimo siūleliai maitinami pastovia srove.
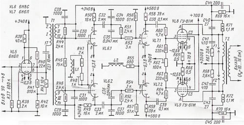
Priešgalinis stiprintuvas (3 pav.) turi tris lempas – VL5–VL7. VL5 trioduose surinktas stiprintuvas su transformatoriaus (T1) tipo apkrova, sukuriančio parafazinius signalus. Skiriamasis kondensatorius C27 neleidžia vykti transformatoriaus magnetolaidžio įmagnetinimui. Toliau seka du stiprinimo laipsniai, surinkti pagal dvitaktę schemą lempose VL6, VL7 (6Н8С, 6Н6П).
Galinis stiprintuvo laipsnis įgyvendintas pagal dvitaktę schemą lempose ГУ-81М (VL8, VL9) su transformatoriniu išėjimu. Lempų režimas užtikrina anodinės srovės atsilenkimo kampą, artimą 90°, dėl ko pasiekiamas palyginti aukštas stiprintuvo naudingumo koeficientas. Esant maksimaliai galiai anodinė srovė siekia 800 mA, o per pauzes ji sumažėja iki 80–120 mA.
Kad išgauti būtiną anodinės srovės impulsą esant mažai įtampai ekraniniuose tinkleliuose į lempų VL8, VL9 pentodinius tinklelius paduodama apie 700 V įtampa. Atgalinio neigiamo ryšio (ANR) įtampa, kuri pasiduoda į priešgalinio stiprintuvo dvitakčio laipsnio įėjimą, nusiima nuo daliklio, sudaryto iš rezistorių R71, R69 ir R72, R70. Kondensatoriai C28–C31, C34–C37, C40–C45 užtikrina būtiną ANR apgaubtų laipsnių dažninės charakteristikos korekciją. Kad padidinti stiprintuvo darbo stabilumą už pralaidumo juostos ribų išėjimo transformatoriaus pirminė apvija šuntuota grandinėmis C41R67 ir C42R68; su tuo pačiu tikslu į VL8, VL9 valdančiųjų tinklelių grandines nuosekliai įjungti rezistoriai R60 ir R64. Iš aukštavolčio maitinimo bloko per pirminę išėjimo transformatoriaus apviją į galingų lempų VL8, VL9 anodus pasiduoda 3500 V įtampa, o į ekraninius tinklelius – 700 V. +700 V ir +70 V maitinimo grandinės papildytos blokuojančiais kondensatoriais 0,25 mkF x 1000 V ir 1 mkF x 160 V atitinkamai.
Priešgalinis stiprintuvas kartu su galiniu laipsniu apgaubtas ANR, kurio gylis siekia 26 dB. Gilus ANR užtikrina pakankamai aukštus kokybinius rodiklius, mažą jautrumą atskirų elementų pakeitimui ir parametrų išsibarstymui. Praktiškai nėra reakcijos į apkrovos atjungimą. Tai sąlygoja labai maža stiprintuvo išėjimo varža.
Kad užtikrinti stiprintuvo stabilumą visame darbinių dažnių diapazone į ANR kilpą įvestos dažninės-fazinės charakteristikos korekcijos grandinės. AD srityje korekciją atlieka kondensatoriai C28–C31, ŽD srityje – grandinės C35R51 ir C36R52. Dėl gilesnio sinfazinio triukšmo (ir lyginių harmonikų) slopinimo į katodines grandines įjungti droseliai L1 ir L2, o reikiamas priešįtampis lempų tinkleliuose sudaromas rezistoriais R47, R48 ir R55. Signalas nuo priešgalinio stiprintuvo išėjimo laipsnio per kondensatorius C38 ir C39 patenka į VL8, VL9 valdančiuosius tinklelius.
„Žemavoltis“ maitinimo blokas (jo schema pavaizduota 4 pav.) padarytas su tinklo transformatoriumi, iš kurio maitinasi visų lempų kaitinimo siūleliai, išėjimo lempų kaitinimo apvijos suvyniotos į dvi sekcijas atskirai. Pirminio stiprintuvo lempų kaitinimui kintamoji srovė lyginama diodais VD1, VD2 su kondensatoriumi C46.
Pirminio stiprintuvo lempos maitinamos stabilizuota įtampa. Anodinių grandinių maitinimui surinktas stabilizatorius VL10 – 6Н13С. Relės K1–K3 skirtos anodinės įtampos padavimo užlaikymui, kol lempos dar neužkaito; tai padidina lempų tarnavimo laiką. Relės įjungiamos su laiko relės pagalba arba tumbleriu. Lygiagrečiai rezistoriams R65, R66 pajungti du strėliniai indikatoriai ГУ-81М anodinės srovės kontrolei.
Triukšmų ir fono priežastimi gali būti ir anodinio maitinimo grandinės, todėl panaudoti įtampos stabilizatoriai lempoje VL10 ir grupėje stabilitronų. Stiprintuvo kaskadų anodinio maitinimo grandines tikslinga papildomai šuntuoti popieriniais kondensatoriais (kuo didesnė talpa, tuo geriau).
Aukštavoltis maitinimo blokas (jo schema pavaizduota 5 pav.) stiprintuvo išėjimo kaskadai tiekia didesnes kaip 500 V maitinačias įtampas. Kintamoji 500 V įtampa per saugiklį FU2 (1 A) patenka į diodų tiltą VD1–VD8. Įtampa, po išlyginančio filtro C3C4L1 pasiekianti 700 V reikšmę, maitinimo kabeliu paduodama į ГУ-81М pentodinius tinklelius.
Kintamoji 2600 V įtampa lyginama tiltu iš diodų VD9–VD36 ir toliau išlyginama filtru L2C5, be to minusinė grandinė sujungta su korpusu per droselį. Todėl droselio apvijoje nėra aukštos įtampos ir negalimas karkaso izoliacijos pramušimas į korpusą. Išlyginta 3500 V įtampa skirta ГУ-81М anodinių grandinių maitinimui.
Aukšto voltažo įtampų padavimas į stiprintuvo bloką atliekamas relės K1 pagalba, kai jos apvija pajungiama prie 24 V įtampos šaltinio tumbleriu, kuris yra stiprintuvo bloke. 700 ir 3500 V įtampa patenka laidais su aukštavolte izoliacija į lizdą stiprintuvo bloke.
Konstrukcija, detalės, montažas
Pramoninis laidinio įgarsinimo stiprintuvas УПВ-1,25 buvo talpinamas dviejų durų metalinėje kiek daugiau nei pusantro metro aukščio spintoje, jos plotis ir gylis – atitinkamai 73 ir 60 cm; tokią konstrukciją buvo labai sunku transportuoti ir netgi pakelti. Todėl naujam stiprintuvui iš šios stacionarios konstrukcijos naudojami tik išėjimo ir fazoinvertorinis transformatoriai, lempų ГУ-81М panelės ir aukštavolčio maitinimo bloko tinklo transformatorius, kiti mazgai pakeisti naujais.
Aukštavoltis maitinimo blokas (1 pav. iš kairės) yra surinktas atskirame metaliniame korpuse ir sujungiamas su stiprintuvo bloku kabeliais per lizdus. Jame patalpinti tinklo transformatorius, diodinių lygintuvų plokštė, maitinimo filtrų kondensatoriai, du droseliai ir tinklo pajungimo relė (6 pav., vaizdas iš viršaus). Gaminant aukštavoltį maitinimo bloką reikia imtis visų atsargumo priemonių, kadangi 3500 V įtampa žmogui yra mirtina. Transformatorių geriau naudoti gatavą, pramoninės gamybos (jo konstrukcija analogiška išėjimo transformatoriaus konstrukcijai – žr. toliau), bet galima gamintis ir pačiam ne mažesnės kaip 1500 W galios, jo III apvijos kintamoji įtampa – 2600 V esant 0,8 A srovei, II apvijos – 500 V esant 0,5 A srovei. Tinklo transformatoriaus T1, suvynioto ant šerdinio magnetolaidžio, apvijų sujungimo schema parodyta 7 pav. (išvadų numeracija sąlyginė). Perdarymui į aukštavoltį tinka galingas (iki 2 kW) transformatorius ant ОМЛ magnetolaidžio.

6 pav.

7 pav.
Droselis L1 turi 2500 vijų laido ПЭЛШО 0,35, suvyniotas ant magnetolaidžio Ш25x40 su 0,5 mm tarpeliu. Kondensatoriai C3, C4 – МБГП-1; C5, C6 – К75-40.
Vietoj droselio L2 naudojama transformatoriaus ТС-250 tinklo apvija (magnetolaidyje yra 0,5 mm tarpelis). Laidas, kuriuo patenka 3500 V įtampa, aukštavoltis, naudojamas kineskopams televizinėje aparatūroje.
Tinklo įtampos pajungimas atliekamas per elektromagnetinės relės K1 kontaktus, į kurios apviją pasiduoda 24 V. Įtampa į K1 apviją pasiduoda maitinimo kabeliu per paleidžiamąją laiko relę arba tumbleriu, kuris patalpintas stiprintuvo bloke. Jeigu maitinimo kabelis nebus pajungtas, relė nesudirbs, tai padidina saugumą remontuojant ir techniškai aptarnaujant. Šioje konstrukcijoje panaudota gamyklinė laiko relė, užtikrinanti 3 min įjungimo užlaikymą, su nuosekliai pajungtu tumbleriu, kuriuo galima padidinti užlaikymo laiką. Minusinius kontaktus reikia sujungti su korpusu vienoje vietoje, bloko korpusą reikia įžeminti.
Stiprintuvo blokas surinktas korpuse, kurio karkasas suvirintas iš metalinių kampelių, vertikaliai perskirtas į dvi dalis. Apatinėje dalyje (8 pav.) įstatytas išėjimo transformatorius ir sumontuotos aukštavoltės korekcijos ir atgalinio ryšio grandinės, o taip pat žemavolčio maitinimo bloko plokštė. Viršutinėje korpuso dalyje (9 pav.) patalpintos išėjimo kaskados lempos, žemavolčių grandinių maitinimo tinklo transformatorius, pirminis ir galinis stiprintuvai. Visa karkasinė konstrukcija uždengta metalinėmis panelėmis. Išėjimo lempų aušinimui viršutinėje bloko dalyje įstatyti du ventiliatoriai, ištraukiantys oro srautą per skyles viršutinėje panelėje.

8 pav.

9 pav.
Mikrofoninio stiprintuvo lempa 6Ж32П pastatyta ant guminio pagrindo, kad išvengti mikrofoninio efekto. Visos pirštinės lempos uždengtos metaliniais ekranais.
Į stiprintuvą įstatytas maitinimo blokas išduoda reikiamas įtampas anodo ir priešįtampio grandinių maitinimui, o taip pat lempų kaitinimo įtampas. Tinklo transformatorius T3 – pervyniotas TC-330 iš lempinio spalvoto televizoriaus, jo apvijos vyniojamos pagal santykį 2,9 vijos – 1 V. Kaitinimo apvijos dėl lempų ГУ-81М suvyniotos ant dešinės ir kairės ritės atskirai, kad būtų išvengta tarpusavio poveikio, kadangi jų katodai – tiesioginio kaitinimo. Apvijos VII, VIII sudarytos iš trijų sluoksnių, sujungtų lygiagrečiai ir suvyniotų laidu ПЭB 0,9. ГУ-81М kaitinimo srovė yra 11,5 A, todėl kaitinimo grandinių laidas turi būti ne mažiau kaip 2,5 mm2 skerspjūvio. Reikia labai prižiūrėti, kad kaitinimo įtampa atitiktų nominalią, kadangi jos viršijimas 1 V sumažina lempos tarnavimo laiką trečdaliu, o sumažėjimas 1 V padidina tarnavimo laiką, bet dėl to sumažėja išėjimo galia ir padidėja nelinijiniai iškraipymai.
Fazoinvertorinis transformatorius įgyvendintas ant ШЛ16x25 magnetolaidžio ant karkaso su dviem sekcijomis. Visos apvijos suvyniotos laidu ПЭB-1 0,1 mm diametro. Pusapvijės Ia, Ib turi po 1500 vijų, pusapvijės IIa, IIb, IIIa, IIIb – po 1700 vijų. Apvijų vyniojimo kryptis ir jų jungimas parodytas 10 pav. Droseliai L1, L2 suvynioti ant ШЛ16x16 magnetolaidžių, turi po 2900 vijų laido ПЭB-1 0,25; magnetolaidžiuose padarytas 0,35 mm tarpelis, įdėjus nemagnetinę tarpinę.

10 pav.
Išėjimo transformatorius gamykliniame stiprintuve apskaičiuotas 46 Om varžos apkrovai, todėl antrinę apviją prisiėjo perdaryti, suvynioti ant kiekvienos ritės apvijas I, IV po 82 vijas dviem ПЭB-1 0,8 laidais, tada visas keturias apvijas sujungti lygiagrečiai (11 pav.). Pirminė apvija liko nepakeista (sekcijos II, III po 584 vijas iš ПЭB-2 0,38 laido). Tarp vidurinio taško ir dviejų pirminių apvijų galų pastatyti du oriniai iškrovėjai su 4 mm tarpeliu, kad užkirsti kelią izoliacijos tarp apvijų pramušimui žadinimosi atveju arba neteisingai surinkus.

11 pav.
Gaminantis pačiam išėjimo transformatorių galima pasidaryti ant strypinio magnetolaidžio iš 0,4 mm storio plokštelių su 84x77 mm skerspjūvio rinkiniu. Apvijos suvyniotos ant cilindrinių karkasų iš getinakso, kurių išorinis diametras 110, 130 ir 150 mm, o sienelių storis 5 mm, surenkant ritės sukišamos koaksialiai į du rinkinius (11 pav.).
Išėjimo kaskados rezistoriai ir kondensatoriai (C40-C45, R67-R72) išdėstyti ant atskiros plokštės netoli išėjimo transformatoriaus. Rezistoriai R71, R72 sudaryti iš 20 nuosekliai sujungtų 56 kOm nominalo ir 2 W galios rezistorių.
Likusios detalės surinktos metaliniame šasi kabamuoju montažu.
Lempinėje aparatūroje reikia skirti didelį dėmesį montažui. Bendrą laidą pageidautina sujungti su korpusu vienoje vietoje. Jeigu įjungus stiprintuvą girdimas kintamos srovės fonas, reikia bandymų keliu pasiekti fono minimumą, kaitaliojant bendro laido sujungimo su korpusu vietą. Kintamos srovės foną gali sukelti ir lempų kaitinimo grandinės. Jam labai jautrios pradinio stiprintuvo lempos, todėl pradinio stiprintuvo lempos kaitinamos pastovia srove.
Montuojant ir derinant stiprintuvą reikia laikytis ypatingo atsargumo. Ypatingą dėmesį skirkite laidų izoliacijos ir detalių, ant kurių montuojasi aukštavoltės grandinės, medžiagos kokybei. Stiprintuvą būtinai reikia aprūpinti autoblokiruote (jos grandinės schemoje neparodytos), atjungiančia nuo tinklo aukštavoltį maitinimo bloką atidarius bet kurio bloko viršelį ar sieną.
Stiprintuvo ir aukštavolčio maitinimo bloko konstrukcijose įstatyti kontroliniai prietaisai ir indikatoriai pagrindinių įtaiso mazgų režimų patikrinimui, tačiau čia ši įrangos dalis nenagrinėjama. Pavyzdžiui, aukštesnėms kaip 100 V įtampoms indikuoti naudojamos neoninės indikatorinės lempos, galinių lempų srovės kontrolei įstatyti du miliampermetrai su rezistoriais, matuojantys įtampos kritimą ant katodinių rezistorių (R65, R66).
Reikia atkreipti dėmesį, kad tokios konstrukcijos stiprintuvo gaminimas, derinimas ir aptarnavimas reikalauja atitinkamos kvalifikacijos ir saugumo technikos taisyklių vykdymo dirbant su didesnėmis kaip 1000 V įtampomis. Ant įtaiso blokų turi būti užklijuoti atitinkami perspėjantys užrašai.
Derinimas
Stiprintuvo derinimas pradedamas nuo galinio stiprintuvo, nuo išėjimo laipsnio.
Iš pradžių į stiprintuvą įstatomos tik galingos lempos ГУ-81М. Jeigu jos naujos arba ilgai nedirbo, jų katodai „mankštinami“ ne mažiau 12 val., padavus tik nominalią kaitinimo įtampą. Po katodų darbo stabilizacijos paduodamos likusios maitinimo įtampos ir paderinamu rezistoriumi R74 nustatoma 40 mA srovė kiekvienai galingai lempai; jų sroves galima sulyginti rezistoriumi R62. Po išėjimo kaskados lempų treniruotės reikia išjungti maitinimą ir įstatyti lempą VL7. Išėjimo transformatoriaus antrinė apvija apkraunama galingu (50...100 W) 12 Om varžos rezistoriumi. Po to įjungiamas maitinimo blokas ir ne anksčiau kaip po 3 min paduodama aukšta tampa.
Padavus aukštą įtampą reikia įsitikinti, kad stiprintuvas nesižadina: padavus į VL5 įėjimą signalą iš generatoriaus, oscilografu tikrinamas signalas stiprintuvo išėjime. Ant aktyvios 12 Om varžos apkrovos maksimali neapribota įtampa turi būti 120 V. Parenkant kondensatorius C28, C29 galima sukoreguoti stiprintuvo ADCh.
Jautrumą galima keisti nedidelėse ribose reguliuojant rezistorių R48.
Teisingai surinktas pirminis stiprintuvas derinimo nereikalauja.
Jau paruoštas stiprintuvas pirmą kartą klausantis fonogramų nustebino labai geru, švariu skambesiu kaip su maža, taip ir su didele galia. Jis tinka ir koncertinės salės ar atviros vietovės įgarsinimui, kur reikalinga gera garso kokybė. Stiprintuvas išlieka darbingas atjungus apkrovą, o taip pat trumpam laikui užtrumpinus liniją.
Kad sumažinti nuostolius akustiniuose kabeliuose ir išvengti atskirų garsiakalbių tarpusavio įtakos, kabelius iki akustinių sistemų reikia nutiesti pagal galimybes lygiagrečiai, atskirais daugiagysliais pakankamo skerspjūvio laidais.




