„Pultec“ („Pulse Technologies“) įkūrė dvi nuostabios moterys (Gene Shenk ir Ollie Summerland) ir 1951 padovanojo pasauliui pirmą pasyvų programuojamą ekvalaizerį EQP-1. Jo veikimas pagrįstas „Western Electric“ patentuotais filtrais. Skambėjo tada jis nuostabiai, bet pagrindinis trūkumas buvo, kad per pasyvų signalo traktą labai nuslopdavo amplitudė.
EQP-1 tuojau buvo suaktyvintas. Tada ir gimė mūsų EQP-1A. Ekvalaizerio kompensacinį stiprintuvą sudarė dvitaktis stiprintuvas su 12AU7 ir 12AX7 lempomis. Maitinime stovėjo 6X4. Shenk ir Summerland surinkinėjo kiekvieną prietaisą rankomis, nes rinka tuo metu buvo labai siaura. Nors judviejų kompanija užsidarė jau prieš kelis dešimtmečius, tačiau sudvigubintas EQP-1A gaminamas „Manley Lab‘s“:
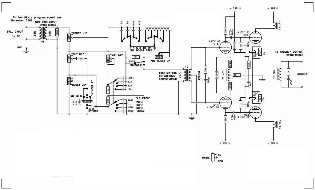
Principinė elektrinė schema
Vos įėjęs signalas išskirstomas ir dailinamas kintamų parametrų filtrais. Žemų dažnių parametriniu filtru, aukštų dažniu kintamu pirmos eiles filtru, ir rezonansiniu filtru vidutinems – aukštiems dažniams. Šaunu, pamaniau, „High pass“ ir „Low pass“ filtru nukirpsiu virš ir žemiau aktualios srities, o su rezonansiniu medžiosiu „saldainiukus“ savo takeliuose. Vėliau signalas tarpkaskadiniu transformatorium išskaidomas i du pusperiodžius ir stiprinamas gana gudriu dvitakčiu stiprintuvu su grįžtamuoju ryšiu ir keletu korekcinių elementų. Dėl labai reto išėjimo transformatoriaus, šis projektas tampa labai sudėtingas. „Gyraf Audio“ gaminta paprastesnę- SRPP versiją:
Kadangi seniai savo vietos laukė dvitaktis išėjimo transformatorius, skirtas „Ecc82“ katoduose iš vengriško mikrofoninio priešstiprintuvo, „pamodifikavus“ schemą ir atsisakius grįžtamo ryšio (kurių taip nemėgstu) pavyko jį panaudoti. Tarpkaskadinį transformatorių panaudosim iš seno vokiško studijinio stiprintuvo, mat atitinka koeficientas, impedansai ir šiaip... bendra dvasia. Pamąstę perbraižom schemą į labiau primenančią laukinį, gyvą ir veržlų audiofilinį prietaisą.
Žinoma, daug kas tuoj puls mane vadinti banditu, kad taip negerbiu originalios schemos, o aš jiems atsakysiu: „pačios „Pultec“ dvasios išėjimo kaskada nekeičia, GALBŪT ši versija skambės truputį kitaip, GALBŪT net geriau“. Kai kažkas iš brolių lietuvių nutars mokėti 7000$ už originalą - mielai atvažiuosiu, palyginsiu ir rimtai apsvarstysiu garso skirtumus. „Ecc83“ - paprastas įtampos kartotuvas, „2k2“ rezistorius galima parinkti skirtingus idealesniam balansui, bet, išmėginus keltą lempų, problemų nepastebėjau. Vielinis potenciometras „Ecc82“ katode skirtas pareguliuoti priešįtampiui, mat „karščiau“ (iki tam tikros ribos) dirbančios lempos skambesys man priimtinesnis.
Dėl filtrų sekcijos lyg ir viskas aišku, pati problematiškiausia vieta, rodos droselis su atšakomis, žinoma, yra pirkti. Antai „Cinemag“ gamina labai teisingus droselius rezonansiniams ekvalaizeriams:
Tačiau pasidomėjus kainomis, nutariau vynioti. Susirandame tam reikalingas dalis:
Pasirinkau 0,3 mm vielą, mat mažesnės DC varžos induktorius – visad kokybiškesnis (pageidautiną nekokybiškumą galima suvaidinti sukinėjant Q potenciometrą). Santechninį tefloną paprastai naudoju aukštos įtampos transformatoriams, mat jis labai geras dielektrikas, šiuo atveju, nepagailėjau jo, kad minkščiau gulėtų vijos. Už šerdį dėkingas draugo „Wytas™“ laboratorijai. Bėda, kad nežinau jos induktyvumo vienai vijai, tad kimbam prie matematikos:
N – vijų skaičius, L – pageidaujamas induktyvumas, AL – šerdies induktyvumas vienai vijai. Pertvarkom formulę:
Ant žieduko susukam 100 vijų – tai bus mūsų naujasis N. Šaunu. Pakeliam kvadratu. Testeris rodo 2,96 mH. Padauginam, padalinam ir gaunam 269 nH.
Internetas byloja, kad Pultec stovi 120 mH droselis su 90 mH, 60 mH ir 30 mH atšakom. Maždaug toks:
Taigi, surašome į formulę ir gaunam:
|
Pirmiausia vyniojame 334 vijas. Matuojant testeris šokinėja tarp 29,9 ir 30 mH, tad laikysime mūsų apskaičiuotą 269 nH/vijai teisingu. Toliau seksis lengviau dėl vijų / induktyvumo netiesinės priklausomybės, liaudiškai – kuo daugiau sukam, tuo mažiau reikia. Padarom 30mH atšaką ir sukam dar 138 vijas, tada darom 60 mH atšaką ir t. t. Tikrinant patariu nesitikėt, kad tarp 4 ir 5 atšakų bus 120–90=30 mH, nes, kaip minėjau santykis tarp vijų ir induktyvumo nėra tiesiškas. Pasidžiaukime rezultatu:
Nepavykus rasti bent minimaliai be klaidų, filtrų dalies išdėstymo, nutariau nusipiešti jį sena gera PAINT programa. 100 n skiriamasis kondensatorius reikalingas TIK nenaudojant tarpkaskadinio transformatoriaus. (lituodamas ir čia radau nežymią klaidelę, tik nepamenu kokią, bet kadangi vis tiek niekas mano aprašymu neskaito, tai jos neieškosiu):
Iš bakelito išpjauname plokštę:
Sulituojame mylimus alyvinius kondensatorius ir nulakuojame kanifolijos ir 646 tirpalu:
Pastebėjus, kad viduje striuka vietos, nutariau maitinimą įgyvendinti dvejomis plokštėmis. Anodui:
Ir kaitinimui:
Beja anodo ir kaitinimo transformatorius tepavyko rasti taip pat tik atskirus. Mėginam viską sukti prie korpuso:
Išėsdiname priekinį skydelį:
Sudedame viską krūvon ir sulituojame laidus (o jų tikrai daug):
Belituojant paskutinius laidus pas mane apsilankė Andrius Aputis iš „LPM Records“. Staigiai puolė sukinėti rankenėles, kai pradėjau testuoti iš MP3 grotuvo į Andrea Ciuffoli. Garsas pagyvėjo net įjungus „Bypass“ funkciją (garsas eina tik per stiprino kaskadas ir apeina ekvalizacijos grandines). Truputėlį iš klausos pasukinėjus rankenėles, elementariam vokalo ar instrumentalo takeliui ir įjungus „Bypass“, visiškai nebesinori klausyti pliko įrašo.
Tą patį vakarą nutarėm nuvažiuoti į „LPM Records“ ir išmėginti „Pultec“ įrašymo trakte. Rezultatai buvo puikūs. Vėliau pamėginome perleisti mano įrašinėjamus takelius su „Accidentally In Love“ . Vokalas įgavo iki tol negirdėtų atspalvių, tad nutarėm visą projektą praleisti per „Pultec“.
Diskutuoti galite specialioje šio projekto temoje forume.
Žygimantas Laurutis, Šiauliai. Mob. nr.: 862 806980.

„Pultec“ įkūrė dvi nuostabios moterys (Gene Shenk ir Ollie Summerland) ir 1951 padovanojo pasauliui pirmą pasyvų programuojamą ekvalaizerį EQP-1. Jo veikimas pagrįstas „Western Electric“ patentuotais filtrais. Skambėjo tada jis nuostabiai, bet pagrindinis trūkumas buvo, kad per pasyvų signalo traktą labai nuslopdavo amplitudė.




