Elektronika.lt
 2025 m. lapkričio 29 d. Projektas | Reklama | Žinokite | Klausimai | Prisidėkite | Atsiliepimai | Kontaktai
Paieška portale
EN Facebook RSS

 Kas naujo  Katalogas  Parduotuvės  Forumas  Tinklaraščiai
 Pirmas puslapisSąrašas
 NaujienosSąrašas
 StraipsniaiSąrašas
 Vaizdo siužetaiSąrašas
 Nuolaidos, akcijosSąrašas
 Produktų apžvalgosSąrašas
 Naudingi patarimaiSąrašas
 Vykdomi projektaiSąrašas
 Schemų archyvasSąrašas
 - Garso technika
 - Automobilių elektronika
 - Buitinė elektronika
 - Kompiuterių elektronika
 - Maitinimo šaltiniai
 - Mikrovaldikliai
 - Radiotechnika
 - Šviesos efektai
 - Įvairi elektronika
 Teorija, žinynaiSąrašas
 Nuorodų katalogai
 Įvairūs siuntiniai
 Bendravimas
 Skelbimai ir pasiūlymai
 Elektronikos remontas
 Robotų kūrėjų klubas
 RTN žurnalo archyvas






 Verta paskaityti
Lapkričio 28 d. 20:35
Pamirštas automobilio mygtukas, kuris žiemą gali išgelbėti gyvybę, daugelis jį ignoruoja iki nelaimės
Lapkričio 28 d. 17:50
KTU tyrėjai kuria sistemą, kuri padėtų blokuoti neteisėtos medienos patekimą į ES rinką
Lapkričio 28 d. 14:22
Pastaraisiais metais – rekordinis kibernetinių atakų skaičius, o specialistų trūksta: didžiausia – vadovų paklausa
Lapkričio 28 d. 11:49
Aštuoni patarimai, kurių elektromobilių vairuotojai privalo nepamiršti šaltuoju metų laiku
Lapkričio 28 d. 08:24
Klaipėdoje prasidėjo naujo LJA kompetencijų centro statybos: toks pastatas – vienintelis šalyje
Lapkričio 27 d. 20:21
„Audi“ atnaujino savo programėlę: integruotas „ChatGPT“ dirbtinis intelektas dabar keičia viską (1)
Lapkričio 27 d. 17:36
„Philips 27B2G5601“: daugiau galios ir mažesnis poveikis aplinkai
Lapkričio 27 d. 14:50
ES atvėrė kelią spartesniam internetui regionuose: ką tai reiškia Lietuvai?
Lapkričio 27 d. 11:17
Energijos gamybą pradėjo „European Energy“ saulės parkas, pirmasis Lietuvoje prijungtas prie balansavimo rinkos
Lapkričio 27 d. 08:28
Mokslininkai apie Lietuvos energetikos transformaciją: su kokiais iššūkiais susiduriame šiandien ir kiek pažengėme per šimtmetį?
FS25 Tractors
Farming Simulator 25 Mods, FS25 Maps, FS25 Trucks
ETS2 Mods
ETS2 Trucks, ETS2 Bus, Euro Truck Simulator 2 Mods
FS22 Tractors
Farming Simulator 22 Mods, FS22 Maps, FS25 Mods
VAT calculator
VAT number check, What is VAT, How much is VAT
Dantų protezavimas
All on 4 implantai,
Endodontija mikroskopu,
Dantų implantacija
FS25 Mods
FS25 Maps, FS25 Cheats, FS25 Install Mods
FS25 Mods
Farming Simulator 25 Mods,
FS25 Maps
ATS Trailers
American Truck Simulator Mods, ATS Trucks, ATS Maps
Must have farming mods
Farming simulator modhub, Best farming simulator mods
Reklama
 Schemų archyvas » Kompiuterių elektronika Dalintis | Spausdinti

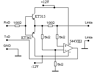
Kompiuterių sujungimas per COM dviem laidais

Publikuota: 2004-03-06 19:42
Tematika: Kompiuterių elektronika
Tipas: Vidutiniška
Autorius: el. paštas Darius Grigaitis
Aut. teisės: el. paštas ©Elektronika.lt

Schema nesudėtinga, turėtų veikti iš karto, detalės lengvai gaunamos.

 Rodyti komentarus (12)
Įvertinimas:  1 2 3 4 5 

Schema nesudėtinga, turėtų veikti iš karto, detalės lengvai gaunamos, tranzistoriai gali būti tiek mažos galios, tiek vidutinės galios. Varžų paklaida gali būti 30 %. Operacinis stiprintuvas, gali būti bet koks, kuriam reikia 10–15 V .




Draudžiama platinti, skelbti, kopijuoti
informaciją su nurodyta autoriaus teisių žyma be redakcijos sutikimo.

Global electronic components distributor – Allicdata Electronics

Electronic component supply – „Eurodis Electronics“

LOKMITA – įvairi matavimo, testavimo, analizės ir litavimo produkcija

Full feature custom PCB prototype service

Sveiki ir ekologiški maisto produktai

Mokslo festivalis „Erdvėlaivis Žemė

LTV.LT - lietuviškų tinklalapių vitrina

„Konstanta 42“

„Mokslo sriuba“

www.matuok.lt - Interneto spartos matavimo sistema

Programuotojas Tautvydas – interneto svetainių-sistemų kūrimas

PriedaiMobiliems.lt – telefonų priedai ir aksesuarai

Draugiškas internetas


Reklama
‡ 1999–2025 © Elektronika.lt | Autoriaus teisės | Privatumo politika | Atsakomybės ribojimas | Reklama | Turinys | Kontaktai LTV.LT - lietuviškų tinklalapių vitrina Valid XHTML 1.0!
Ets2 mods, Ats mods, Beamng drive mods
allmods.net
„MokslasPlius“ – mokslui skirtų svetainių portalas
www.mokslasplius.lt
Optical filters, UV optics, electro optical crystals
www.eksmaoptics.com
LTV.LT – lietuviškų tinklalapių vitrina
www.ltv.lt/technologijos/
Elektroninių parduotuvių optimizavimas „Google“ paieškos sistemai
www.seospiders.lt
Mokslo festivalis „Erdvėlaivis žemė“
www.mokslofestivalis.eu
Reklama


Reklama