Tai koncertinis galios stiprintuvas, kuriam konstruoti reiktų turėti šiokios tokios patirties. Iš principo, galima rinkti su mažesniu tranzistorių skaičiumi, tarkim, atmetus šešis galinius tranzistorius gausime per pus mažesnio galingumo stiprintuvą. Gaminant tokio galingumo stiprintuvą, reikia atkreipti dėmesį į tai, kad esant maksimaliai galiai stiprintuve tekės ne mažesnės kaip 11 A srovės. Todėl montuojant galinius tranzistorius būtina dubliuoti jų maitinimo išvadus t. y. dirbtinai storinti. Ritė L (1 pav.) yra išėjimo ją vyniokit be karkaso ir kad kabotų ore iš 4–5 mm storio vielos (10 vijų ). Rekomenduoju padarius, pirma prijungti tik kelis tranzistorius ir įsitikinti, kad veikia apsaugos ir stiprintuvas nesusižadina. Patartina šiuo atveju turėti oscilografą bei sinusinių signalų generatorių.

(spausti ant paveikslėlio)
1 pav. Galinis stiprintuvo laipsnis
Kitas svarbus žingsnis – tai aušinimas. Patariu iš karto nueiti į elektros prekių parduotuvę įsigyti termopastos, skirtos geresnio šiluminio kontakto sudarymui tarp radiatoriaus ir tranzistoriaus. Aušintuvai, jų reikės kelių, galite naudoti tokius, kokius naudoja kompiuterių maitinimuose. Radiatoriai tai taip pat svarbūs. Reiktų ne mažiau kaip 1 kvadratinio metro vienam tranzistoriui. Galima bandyti ieškoti ištisinių radiatorių ir ant jų kabinti vieno peties tranzistorius. Patartina, kad radiatoriai būtų juodos spalvos, šiuo atveju pagerėja šilumos išspinduliavimas. Derinat pasistenkite gauti įtampų reikšmes, kurios pateiktos (1 pav.) atitinkamuose taškuose, tuo atveju kai į įėjimą nepaduotas joks signalas.

(spausti ant paveikslėlio)
2 pav. Pirminiai stiprintuvai
Pirminiame stiprintuve naudojami lengvai gaunami operaciniai stiprintuvai, vietoj jų galite naudoti analogiškus 15 V maitinimo stiprintuvus. Visos relės skirtos 24 V darbo įtampai.

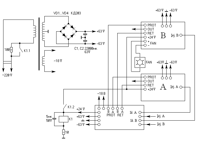
(spausti ant paveikslėlio)
3 pav. Maitinimo blokas bei sujungimo schema
Maitinimo blokas geriausia turėtų būti impulsinis. Čia pavaizduotas paprastas transformatorius, kurio galingumas vienam kanalui įvertinant atsargą turėtų apie 1,5 kW. Šioje vietoje labai tiktų susirasti impulsinį maitinimo šaltinį.