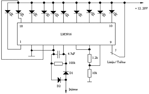
Schema paprasta, jai tereikia vienos mikroschemos, bei keleto šviesos diodų, arba diodų matricos. Diodai D1, D2 gali būti bet kokie vidutinės ar mažos galios. Šios schemos privalumas, tai dvejopas darbo režimas, vienu atveju bėgioja vienas diodas, kitu atveju diodų eilė.
